技術規范
調試維修
聯系方式
- 聯系人:郭經理
- 傳真:010-69552656
- 電話:400-0346-119
- 電話:010-57113119
- 郵箱:506665119@qq.com
- 地址:北京通州區新華北路117
JTY-H-VDC1382A線型光束感煙火災探測器 北大青鳥
文章來自:北大青鳥主機維修 發布時間:2014-04-28 05:04:55

一、JTY-H-VDC1382A線型光束感煙火災探測器外形示意圖

二、JTY-H-VDC1382A線型光束感煙火災探測器功能特點
線型光束感煙探測器由發射、接收器和反光板兩部分組成;
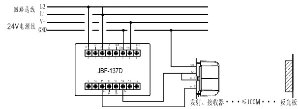
線型光束感煙探測器自身無地址編碼功能,需要配接中繼模塊 JBF-137D 接入系統;
適用于大空間的火災防范;
發送器和接收器之間的探測距離小于 50米或 100 米(兩種規格);
探測器可提供無源開關量報警信號輸出;
探測器靈敏度可根據需要進行適度調整;
調試時應使用VPT3601A專用調試工具。
三、JTY-H-VDC1382A線型光束感煙火災探測器技術指標

四、JTY-H-VDC1382A線型光束感煙火災探測器安裝與接線
非編址型,配接JBF-137D 中繼模塊;
發射接收一體式,配接反光板無需接線;
調試時應使用VPT3601A專用調試工具;
探測器可提供無源開關量報警信號輸出;
探測距離*遠≤100米;
通過撥碼開關設置匹配阻抗,默認第 5位 OFF、第6位 ON,輸出4.6K;
接線圖例:

五、JTY-H-VDC1382A線型光束感煙火災探測器注意事項
探測器、反光板應安裝在穩定可靠的建筑物表面。探測距離小于 50 米時需配置一塊反光板,探測距離大于 50米小于 100 米時需配置兩塊反光板。
